LWF-200-A1位移傳感器,LWF-200-A1 VOLFA
【廣州★蘭瑟】:LWF-200-A1【中國正式★一級總代理】,我司的LWF-200-A1位移傳感器,LWF-200-A1 VOLFA正宗、原裝、現
貨進口,保證質量過關,承諾價格優惠,賣的最好的VOLFA LWF-200-A1位移傳感器現已加入豪華促銷中。
產品詳情:品牌/廠家:VOLFA
型號:LWF-200-A1
成色:全新、貨期:
現貨 1天內發貨
保修:365天,更多產品詳情就上廣州蘭瑟網。
產品名稱:LWF-200-A1位移傳感器(現貨供應)
拉桿式位移傳感器LWF-A1/V1/V2
量程:0...50mm...1420mm
線性精度:±0.2% MB
輸出:4...20mA,0...10V,0...5V
客戶訂制選項(電壓輸出):
1.LWF-V2輸出(0-5V DC) 或者LWF-V1 (0-10V DC)
2.三線制(端子1:電源+,端子2:輸出+,端子3:公用端)
3.四線制(端子1:電源+,端子2:輸出+,端子3:輸出-,端子4:電源-)
客戶訂制選項 LWF- A1 (電流輸出4-20mA):
1.二線制(端子1:輸出+,端子2:輸入+)
2.三線制(端子1:電源+,端子2:輸出+,端子3:公用端)
3.四線制(端子1:電源+,端子2:輸出+,端子3:輸出-,端子4:電源-)
VOLFA拉桿式傳感器(電子尺),有電阻信號輸出,模擬量信號輸出,數字信號輸出,
導電塑料阻軌,測量桿由彈簧驅動自行復位,RS422,RS485通訊輸出,直接連接PC/
PLC,VOLFA傳感器主要用于自動化控制,軌道交通等,
拉桿式運動 測量長度0-50...1420mm 壽命一億次
|
LWF
|
0`
|
50
|
75
|
100
|
130
|
150
|
175
|
200
|
225
|
250
|
275
|
300
|
350
|
375
|
400
|
|
有效電行程
|
mm
|
51
|
76
|
102
|
132
|
152
|
177
|
202
|
228
|
254
|
279
|
304
|
355
|
381
|
406
|
|
機械行程
|
mm
|
55
|
80
|
106
|
136
|
156
|
181
|
206
|
232
|
258
|
283
|
308
|
359
|
385
|
410
|
|
電阻值±20%
|
kΩ
|
5
|
5
|
5
|
5
|
5
|
5
|
5
|
5
|
5
|
5
|
5
|
5
|
5
|
5
|
|
線性度
|
%
|
0.2
|
|
分辨率
|
r
|
Infinite
|
|
建議電流
|
mA
|
<10
|
|
工作溫度
|
°C
|
-40 to +120
|
|
防護等級
|
IP
|
IP54(Standard),IP65(Optional)
|
|
起動力
|
N
|
1.2N(IP54),5N(IP65)
|
|
功率
|
W
|
2W - 10W
|
|
***工作電壓
|
V
|
30V DC
|
|
壽命
|
|
一億次
|
|
震動
|
G
|
IEC 68-2-6:1982 10G
|
|
沖擊
|
G
|
IEC 68-2-29:1968 40G
|
|
尺寸 A
|
mm
|
117
|
142
|
168
|
198
|
218
|
243
|
268
|
294
|
320
|
345
|
370
|
421
|
447
|
472
|
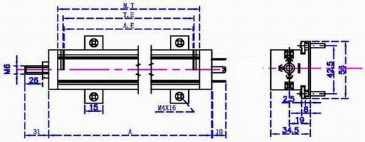
LWF-200-A1稱重傳感器尺量圖:

每日資訊:稱重傳感器你會用嗎?怎么使用最精確?教您用PLC實現精確稱量
我們來說下稱重傳感器連接PLC,常用的連接方式主要有三種:
一:性價比最高,也是用得最多的,就是稱重傳感器+接線盒+稱重二次表+PLC的模擬量輸入。
二:最經典的辦法,稱重傳感器+接線盒+PLC稱重模塊。
三:折中的方案:稱重傳感器+接線盒+帶232/485的稱重二次表+帶232/485通訊模塊的PLC。
位移傳感器相關資料如下:
韓國Dacell位移傳感器
德國Waycon位移傳感器
德國Novotechnik位移傳感器
德國VOLFA位移傳感器
LWZ位移傳感器,德國VOLFA LWZ直線位移傳感器
|