GY-1型輪輻式傳感器
【廣州★蘭瑟】有賣GY-1型輪輻式傳感器廠家價格【中國一級★經銷商】價格實在,質量保證,找廣州蘭瑟提供詳細信息,歡
迎致電供應商電話:
聯系人:楊工(蘭瑟客服一部)、李工(蘭瑟客服二部)
聯系人電話:15322063181/020-22157650
蘭瑟官網:http://www.wangrui19258.cn
一、產品簡介:
GY-1型輪輻式傳感器,其彈性采用短而高的剪切梁、剛性特好,抗側向力強,輸出靈敏度可達4mV/V,在結構上具有過載自
鎖。防護上采用膠封和焊封,分別達到了IP67和IP68,因此廣泛應用于汽車衡、測力機和吊秤等設備上。

二、技術指標:
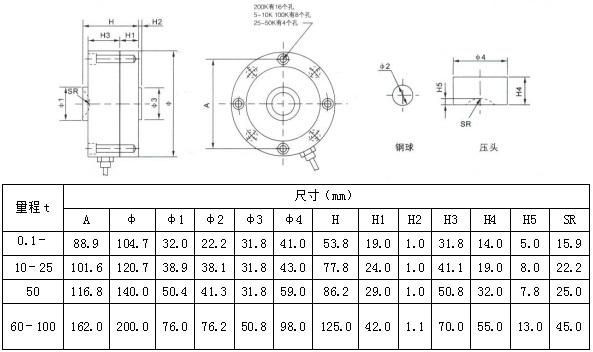
三、外形尺寸:

四、GY-1型輪輻式傳感器技術參數:
靈敏度 2.0mVV
非線性 0.02%FS
滯后 0.02%FS
重復性 0.01%FS
蠕變 0.02%FS
輸入電阻 385Ω
輸出電阻 350Ω
零點輸出 1.00%FS
零點溫度系數 0.02%FS10℃
額定輸出溫度系數 0.02%FS10℃

五、GY-1型輪輻式傳感器主要特性:
材料:合金鋼,不銹鋼
額定負載: 0.05-10t
額定輸出: 2m(3m)V/V
輸出電阻: 350Ω
GY-1熱銷型號:
GY-1-0.1T
GY-1-0.5T
GY-1-0.75T
GY-1-1T
GY-1-2T
GY-1-5T
GY-1-10T
GY-1-20T
GY-1-25T
GY-1-30T
GY-1-50T
GY-1-60T
GY-1-100T
傳感器詳細資料請點擊下面:
GY-1稱重傳感器,美國AC GY-1稱重傳感器
GY-1-0.1T傳感器,美國AC GY-1-0.1T稱重傳感器
GY-1-0.75T稱重傳感器,美國AC GY-1-0.75T傳感器
德國HBM懸臂梁稱重傳感器安裝和注意事項?
美國Transcell懸臂梁稱重傳感器安裝和注意事項?
|