品牌:AMCELLS(商標停產),SUNCELLS,MKCELLS(商標替代)
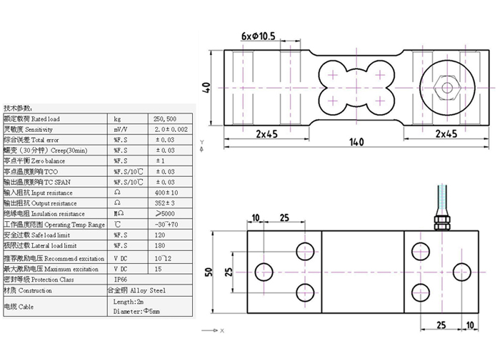
材質:ZSFB-D合金鋼材質
形狀:單點式ILKJB250-500kg稱重傳感器
除ILKJB250-500kg其它型號傳感器詳情請點擊:美國SUNCELLS稱重傳感器
美國SUNCELLS ILKJB250-500kg稱重傳感器特點應用:
單點式傳感器
合金鋼材質
全焊接密封
安裝簡便、快速
高精度、高穩定性
應用于料斗秤、皮帶秤、電子稱等相關電子設備
【廣州蘭瑟電子】主要代理經銷傳感器類型:稱重傳感器、壓力傳感器、扭矩傳感器、荷元以及變送器、稱重模塊、放大器、接線盒、電子秤、儀表及相關配套附件等。我司與美國SUNCELLS公司合作多年,提供完善的售前、售中、售后服務,保證您買得放心,用得安心。
美國SUNCELLS ILKJB250-500kg稱重傳感器參數尺寸:

美國SUNCELLS ZSFB-D稱重傳感器全部型號:
ILKJB250-250kg,ILKJB250-500kg
電話:020-22157650 手機:15322063181
不同規格型號,價格也不同,我們會根據您要求的材質,形狀,精度,稱重,安裝方式等要求,為您提供最合適的傳感器,詳情可咨詢【廣州蘭瑟電子】專業工程師楊帆為您選型。
|