【廣州★蘭瑟電子】全球供應德國TECSIS F3271稱重傳感器,Germany TECSIS F3271(LOADCELL)價格,德國TECSIS傳感器F3271廠家搶購熱線:020-22157170價格優惠,質量保證,全球網絡服務到位。
同樣的價格我們比質量,同樣的質量我們比服務;這就是作為德國TECSIS中國【優質★供應商】具有的優勢之一。
廠商:德國TECSIS
型號:F3271
國別:德國稱重傳感器
形狀:剪切梁式稱重傳感器
材質:不銹鋼材質傳感器
量程:510 kg 直至10197 kg
注:具體尺寸和重量要求,可以根據客戶需求溝通定做,價格電議/面議
德國TECSIS F3271稱重傳感器產品特征
▲設計用于負載稱量
▲也可用于力值測量
▲典型的剪切梁式設計
▲滿量程精度為 0.04%,可選 0.02%
▲量程從510 kg開始
▲通過盲孔引入力
▲防護等級 IP 68/IP 69k
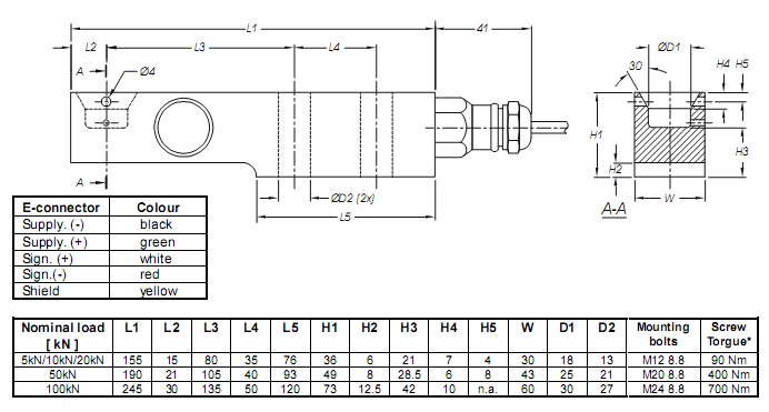
德國TECSIS F3271稱重傳感器安裝尺寸

德國TECSIS F3271稱重傳感器描述應用
這款剪切梁式設計的典型測力傳感器具有高精度,滿量程精度為 0.04%(可選精度為 0.02%)。
型號 F3271 系列可用于測量靜態拉力及壓式力。其額定負載為 510 到 10197 kg。
在稱重技術領域,彎曲梁及剪切梁用于小型和中大型容器的測重。但也經常用于力值測量
這款力傳感器可以應用在大量要求高精度和堅固耐用設計的應用場合。高精度可保證型號 F3271 系列用于稱重技術。這款力傳感器還可用于測量靜態拉力及壓式力。
彎梁式稱重傳感器通過線纜一側的兩個緊固孔安裝。而在線纜的另一側,通過通孔將力引入,垂直作用于測力傳感器的中軸線。
由于該傳感器是由不銹鋼制成且具有高防護等級 IP68/IP69k,所以適用于各種惡劣環境。當使用若干測力傳感器時,特殊的校準技術 (mV/V/Ω) 能保持角落平衡。
德國TECSIS F3271稱重傳感器100%百分百質量保證【選蘭瑟電子——就是選正品保障】,只要您購買了我們的產品,對購買的客戶保證質量第一、信譽永恒!
|