|
|
|
|
|
|
|
|
|
|
| 郵 箱: |
lanse-china@foxmail.com |
|
|
|
|
|
 |
|
|
|
|
| F2270傳感器,德國TECSIS F2270稱重傳感器 |
| 發布人:稱重傳感器 發布時間:2013/12/19 17:56:15 點擊量:4810 |
 |
【廣州★蘭瑟電子】全球供應德國TECSIS F2270稱重傳感器,Germany TECSIS F2270(LOADCELL)價格,德國TECSIS傳感器F2270廠家搶購熱線:020-22157170價格優惠,質量保證,全球網絡服務到位。
同樣的價格我們比質量,同樣的質量我們比服務;這就是作為德國TECSIS中國【優質★供應商】具有的優勢之一。
廠商:德國TECSIS
型號:F2270
國別:德國稱重傳感器
形狀:S 型稱重傳感器
屬性:不銹鋼稱重傳感器
量程:0...100 到 0...5000 kg
注:具體尺寸和重量要求,可以根據客戶需求溝通定做,價格電議/面議
德國TECSIS F2270稱重傳感器產品特征
▲設計用于測量懸荷
▲也可用于測量拉力及壓式力
▲成熟的 S 型設計
▲滿量程誤差組合為 0.04%(也可提供 0.02%)
▲額定負載為 100 kg 到 5000 kg
▲防護等級 IP 67
▲通過內螺紋將力輕松引入
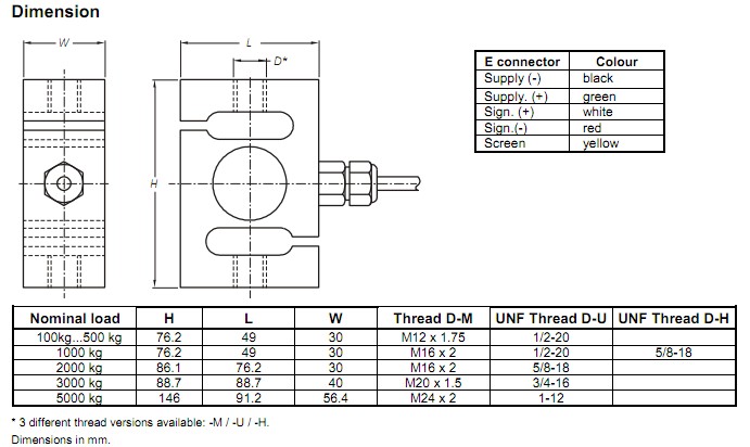
德國TECSIS F2270稱重傳感器安裝尺寸

德國TECSIS F2270稱重傳感器描述應用
典型拉力/壓式力傳感器(S 型)具有內螺紋,設計精度高達 0.02%(可選)。型號 F2270 系列是用于稱重系統和測量靜態拉力及壓式力的完美之選。其額定負載從 100 kg 開始,直至 5000 kg。
這款力傳感器用于 需要在力線上直接測量的應用場合。例如,測量懸荷重或者鋼索或連桿的實際作用力。由于其精度高,這款力傳感器通常作為測力傳感器用于稱重技術。通過內螺紋以簡單的方式將力施加于力傳感器。螺旋狀轉向節孔使作用力位于傳感器的中心線上,且不受扭矩和彎曲力矩的影響。
德國TECSIS F2270稱重傳感器100%百分百質量保證【選蘭瑟電子——就是選正品保障】,只要您購買了我們的產品,對購買的客戶保證質量第一、信譽永恒!
|
|
|
|
|
|
|
|