|
|
|
|
|
|
|
|
|
|
| 郵 箱: |
lanse-china@foxmail.com |
|
|
|
|
|
 |
|
|
|
|
| YZC-215B輪輻式傳感器,廣測YZC-215B稱重傳感器 |
| 發布人:稱重傳感器 發布時間:2016/8/2 10:11:47 點擊量:6340 |
 |
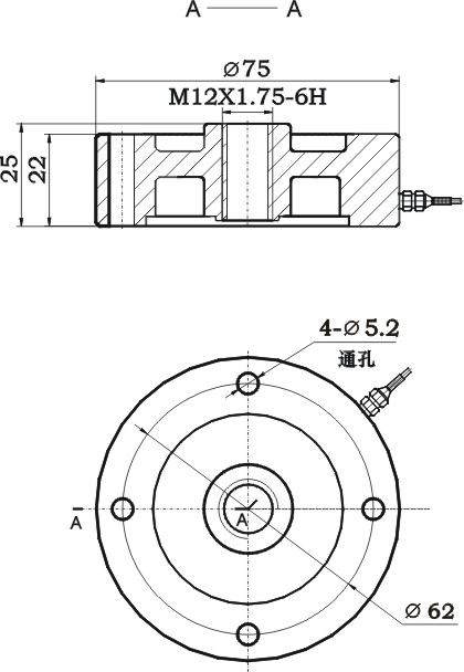
產品系列:YZC-215B
產品品牌:廣測GUANGCE
產品類型:稱重傳感器/輪輻式傳感器
廣測GUANGCE YZC-215B輪輻式稱重傳感器產品簡介:
廣測YZC-215B試驗機稱重傳感器,合金鋼材質,高精度,拉壓兩用!
廣測GUANGCE YZC-215B輪輻式稱重傳感器技術指標:

廣測GUANGCE YZC-215B輪輻式稱重傳感器產品型號:YZC-215B-30KG,YZC-215B-50KG,YZC-215B-100KG,YZC-215B-500KG,YZC-215B-1000KG
擴展閱讀
稱重傳感器的可靠性和一致性介紹
稱重傳感器屬于測力傳感器是一種常用的測量儀器,常用于靜態測量和動態測量。稱重傳感器的應用范圍很廣泛,在工業、電子、電力、治金、機械中都有一定的應用。我們知道稱重傳感器的可靠性和一致性是什么嗎?今天就來為大家具體介紹一下。
考慮到使用地點的重力加速度(g)和空氣浮力(f)的影響后,通過把其中一種被測量(質量)轉換成另外一種被測量(輸出)來測量質量的力傳感器。因此稱重傳感器的準確性和一致性及可靠性是它工作的主要神圣責任,那么原材料和制造工序是怎么影響稱重傳感器的準確性、一致性和可靠性的呢?從表面看,似乎一個傳統稱重傳感器就是簡單地由鋁或硬化鋼元件,電阻應變計,補償電阻器,互相接線,填充材料和鍍層或涂料組成。那么兩臺外觀相同的稱重傳感器究竟有多少不同呢?
假設一臺高品質的工業稱重傳感器具有:良好的防潮性——潮濕是導致稱重傳感器故障的首要原因;耐久性——最保守的設計也要使傳感器經受10萬次以上的循環加載,而不產生疲勞故障;符合公布的技術規范一包括線性,滯后和溫度補償;由一批傳感器的性能到另一批產品間的一致性。不是所有的傳感器制造商生產出的傳感器都滿足這些性能要求,F在開始解釋為什么不同制造商生產的稱重傳感器外觀看似相同,但在性能,可靠性和一致性上會存在差異。
主要有兩個方面:
第一是耐久性的作用:稱重傳感器最基本的設計就是要確定它的耐久性,它必需經受十萬次的稱量,不會因機械疲勞而導致故障。用計算機有限元分析使稱重傳感器設計優化,不使傳感器存在任何部分的應力集中,如此可要求應力均勻的集中在應變計的部位。這種精巧設計能確保稱重傳感器能經得起超載。
第二是防潮作用:稱重傳感器中的電阻應變計最容易受潮氣影響。潮氣進入電阻應變計可能導致稱重傳感器性能不穩定甚至整體故障。
因此稱重傳感器的設計防潮是由以下幾點:
1、封裝電阻應變計—— 用防水材料覆蓋住應變計。
2、控制環境或制造出低濕度環境——阻止潮氣進入密封的稱重傳感器。
3、高質量的復合防水密封——在整個工作溫度下,保持傳感器的元件不受影響,并且有最小的滲透性。
4、焊接封口、玻璃和金屬電纜接頭有時也很有效。
5、高質量稱重傳感器電纜將導體和外殼嚴密的結合,防止潮氣通過電纜芯進入內部。
|
|
|
|
|
|
|
|