|
|
|
|
|
|
|
|
|
|
| 郵 箱: |
lanse-china@foxmail.com |
|
|
|
|
|
 |
|
|
|
|
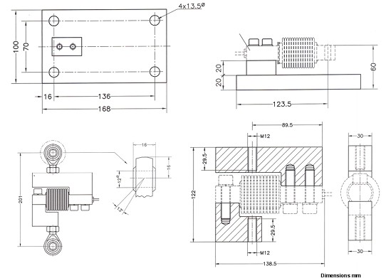
| 荷蘭BWT GS-2稱重傳感器,GS-2稱重傳感器 |
| 發布人:稱重傳感器 發布時間:2013/7/30 17:51:01 點擊量:4692 |
 |
荷蘭BWT GS-2稱重傳感器知識:
GS-2稱重傳感器安裝面與安裝底座應保持水平,不偏斜;安裝面底座要牢固并保持一定的厚度;安裝稱重傳感器,選用荷蘭BWT公司規定等級的高強度螺栓進行緊固;嚴禁電纜線在多稱重傳感器稱量系統中,隨意加長或剪短某一部分電纜;安裝時,嚴禁采用電焊方式。
更多內容請訪問廣州蘭瑟電子科技有限公司網站 (http://www.wangrui19258.cn)或撥打總部服務熱線:020-22157170。
荷蘭BWT GS-2傳感器系列介紹:
|
|
|
|
|
|
|
|