|
|
|
|
|
|
|
|
|
|
| 郵 箱: |
lanse-china@foxmail.com |
|
|
|
|
|
 |
|
|
|
|
| 德國HBM T4A扭矩傳感器,T4A扭矩傳感器 |
| 發布人:稱重傳感器 發布時間:2013/8/5 11:30:56 點擊量:4158 |
 |
德國HBM T4A扭矩傳感器標定
標定儀器設備精度等級的確定:對稱重傳感器進行標定,是根據試驗數據確定稱重傳感器的各項性能指標,實際上也是確定德國HBM稱重傳感器的測量精度,所以在標定稱重傳感器時、所用的測量儀器的精度至少要比被標定稱重傳感器的精度高一個等級。
德國HBM T4A扭矩傳感器特性
額定扭矩5 N洠, 10 N洠, 20 N洠, 50 N洠, 100 N洠, 200 N洠, 500 N洠 和 1 kN洠
最大允許轉速 4 000 rpm
任何方向進行扭矩測量
T4WA-S3: 角度測量/ 轉速測量
方型連接,安裝更方便
緊湊,容易操作
如果您對T4A扭矩傳感器特性的產品價格,圖片,貨期,參數,選型等詳細信息有需要,歡迎撥打【廣州蘭瑟電子】全國統一服務熱線:020-22157170。
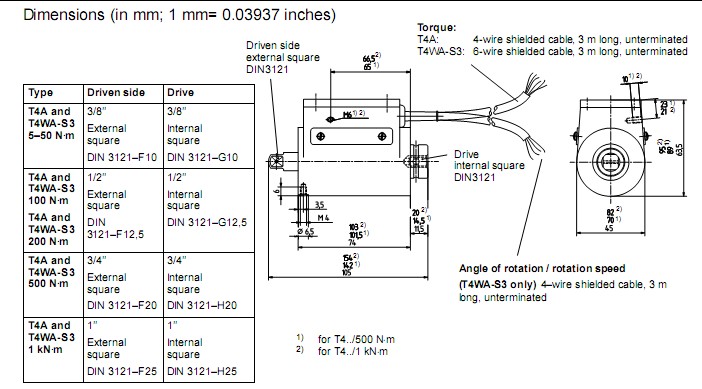
德國HBM T4A扭矩傳感器尺寸

德國HBM T4A扭矩傳感器描述
T4A - 軸端/螺紋軸端 扭矩傳感器
T4A 和 T4WA-S3 扭矩傳感器專門為生產過程監控和質量控制中進行靜態和動態扭矩,轉速和角速度測量而設計的.
T4A 和 T4WA-S3 扭矩傳感器主要用于保證扭矩質量符合國家標準而進行的追溯性測量。
T4A 扭矩傳感器的連接通過手動扳手或電動扳手來進行,而不能用氣動扳手。
連接時,驅動端空間和輸出端空間必須符合DIN 3121標準。T4A 扭矩傳感器采用滑環來傳遞測量信號,因此可以使用所有應變全橋工業測量放大器。
|
|
|
|
|
|
|
|