德國HBM T40B扭矩傳感器標定
標定儀器設備精度等級的確定:對稱重傳感器進行標定,是根據試驗數據確定稱重傳感器的各項性能指標,實際上也是確定德國HBM稱重傳感器的測量精度,所以在標定稱重傳感器時、所用的測量儀器的精度至少要比被標定稱重傳感器的精度高一個等級。
德國HBM T40B扭矩傳感器應用
高精度且耐用
其帶有一個磁極轉速測量系統
快速安裝
測試臺工程
光學轉速測量系統已經達到了應用極限
T40B 數字扭矩傳感器采用磁學轉速技術,能夠在具有油污和灰塵惡劣的工業環境下使用,尤其在汽車工業,例如,發動機測試臺。
如果您對T40B扭矩傳感器特性的產品價格,圖片,貨期,參數,選型等詳細信息有需要,歡迎撥打【廣州蘭瑟電子】全國統一服務熱線:020-22157170。
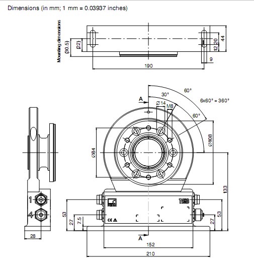
德國HBM T40B扭矩傳感器尺寸

德國HBM T40B扭矩傳感器描述
T40B帶有磁極轉速測量系統的數字扭矩傳感器
高精度速度測量系統,即使在非常低的轉速下
T40B 基于久經考驗的 T40 扭矩傳感器,并增加了新的功能。其可以對轉速進行測量,以及監控旋轉的方向。 其通過內置一個脈沖計數器來完成以上功能。
可靠的轉速測量系統
T40B 采用的磁學脈沖測量技術能夠提供非常高的脈沖輸出能力,可達 1024 脈沖/轉,在T40B 的所有量程:200 Nm 到 10 kNm 均可提供。并且在轉速非常低的情況下,也具有極高的測量精度,讓您獲得可靠,高精度的測量結果。
轉速測量系統可以在所有情況下使用,即使轉速高達 20,000 rpm。磁學塑料環金屬載體固定住扭矩傳感器的第二個法蘭中,因此非常容易安裝,并節省空間。
多種接口,具有極高的靈活性
T40B 提供極高的靈活性。其定子帶有頻率和電壓標準接口。另外,數字 TMC (扭矩測量通訊) 接口被內置。這使其不僅可以單獨使用,也可采用 TIM40 或 TIM-EC EtherCAT 接口模塊內置于不同總線的測試臺
|