德國HBM Z4A力傳感器分類
德國HBM力傳感器是將各種力學量轉換為電信號的器件,力學量可分為幾何學量、運動學量及力學量三部分,其中幾何學量指的是位移、形變、尺寸等,運動學量是指幾何學量的時間函數,如速度、加速度等。力學量包括質量、力、力矩、壓力、應力等。
德國HBM Z4A力傳感器特性
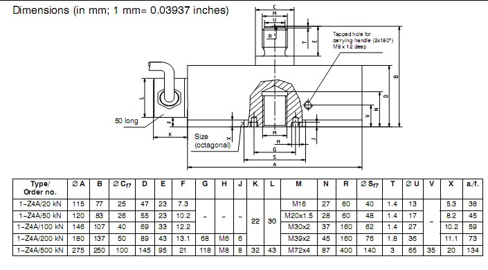
額定力20 kN, 50 kN, 100 kN, 200 kN, 500 kN
額定靈敏度 [mV/V]
最大力 [%]150
額定溫度范圍ominal [°C]+10...+40
保護等級IP 67
材料回火鋼
力方向拉 / 壓
力傳感器,極高的精度,用于標定
按照 ISO 376 標準的標定證書可選
傳遞標準按照國際力標準協議
力標準 + DKD 標定證書
長期穩定性好
如果您對Z4A力傳感器特性的產品價格,圖片,貨期,參數,選型等詳細信息有需要,歡迎撥打【廣州蘭瑟電子】全國統一服務熱線:020-22157170。
德國HBM Z4A力傳感器尺寸

德國HBM Z4A力傳感器描述
Z4A - 可用于工業環境和比對測試的力傳感器
Z4A力傳感器可以滿足最高精度的測量要求.按照 EN 10002-3,可以按照客戶要求,定制合適的精度等級 (version Z4A-G) (等級 00, 等級 05-500kN).
此傳感器用于拉/壓力高精度測量,并可進行力比對測量.另外一個顯著特點是創新性的補償方法能夠大大減少使彎矩和惻向力的影響.
Z4A力傳感器同樣適合用于工業場合, 一個傳感器可以用于多個量程,這樣可以節約大量時間,節省購買多個傳感器的費用. 傳感器的量程覆蓋范圍為 0...20kN 到 0...500kN.
|