|
|
|
|
|
|
|
|
|
|
| 郵 箱: |
lanse-china@foxmail.com |
|
|
|
|
|
 |
|
|
|
|
| 美國Dytran 1061C力傳感器,1061C力傳感器 |
| 發布人:稱重傳感器 發布時間:2013/8/9 17:37:14 點擊量:3665 |
 |
美國Dytran 1061C力傳感器分類
美國Dytran力傳感器是將各種力學量轉換為電信號的器件,力學量可分為幾何學量、運動學量及力學量三部分,其中幾何學量指的是位移、形變、尺寸等,運動學量是指幾何學量的時間函數,如速度、加速度等。力學量包括質量、力、力矩、壓力、應力等。
美國Dytran 1061C力傳感器特點
壓電式力傳感器-電荷型
靈敏度 -9 pC/Lb
壓力量程 25000 Lbs
拉力量程 500 Lbs
重量 420 grams
沖擊 5000 g
溫度 -73~260 ℃
安裝方式 3/8-16螺釘
如果您對1061C力傳感器的產品價格,圖片,貨期,參數,選型等詳細信息有需要,歡迎撥打【廣州蘭瑟電子】全國統一服務熱線:020-22157170。
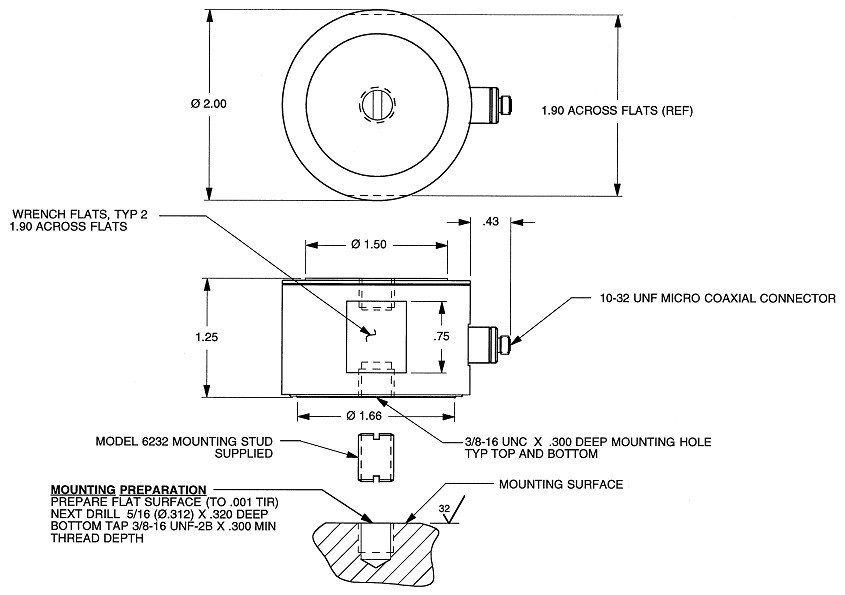
美國Dytran 1061C力傳感器尺寸

|
|
|
|
|
|
|
|