|
|
|
|
|
|
|
|
|
|
| 郵 箱: |
lanse-china@foxmail.com |
|
|
|
|
|
 |
|
|
|
|
| LSB350力傳感器,美國Futek LSB350力傳感器 |
| 發布人:稱重傳感器 發布時間:2013/8/15 11:18:28 點擊量:5834 |
 |
美國Futek LSB350力傳感器選型
LSB350力傳感器(force transducer)是指能感受外力并轉換成可用輸出信號的傳感器。美國Futek選型需要了解力傳感器的受力情況、性能指標、安裝形式、結構形式、彈性體的材質等,才能確定選擇什么型號,什么量程的力傳感器。主要有應變管式、膜片式、應變梁式、組合式等幾種分類。
美國Futek LSB350力傳感器概述
應變式力傳感器(S 型)
量程 2224, 4448, 8896, 13344 N
額定輸出 2 mV/V
非線性度 ±0.05 %R.O.
遲滯性 ±0.05 %R.O.
安全過載 150 %R.O.
工作溫度 -50~93 ℃
激勵(DC/AC) 20 V
美國Futek LSB350力傳感器的介紹,圖片,特點,型號,參數,應用等詳細信息,【廣州蘭瑟電子】為您提供全球,全方位的選型服務,以及完整可靠的自動化稱重系統方案。歡迎撥打全國統一服務熱線:020-22157170。
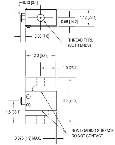
美國Futek LSB350力傳感器安裝

除LTH500其它品牌熱銷型號請點擊
美國Celtron LPS-35kg稱重傳感器
美國AC PE-7-10KG稱重傳感器
Utilcell MOD700-60t稱重傳感器
SUNCELLS QS-D-25t稱重傳感器
韓國Dacell UU-50kgf稱重傳感器
|
|
|
|
|
|
|
|