廣州蘭瑟電子科技供應德國Novotechnik位移傳感器,德國原廠正品TR系列直線位移傳感器7折優惠,德國Novotechnik(NOVO)一級代理。廣泛應用于塑膠、切割、車輛、醫療、建筑、農業、船舶、航天等領域的各種運動控制場合。直線位移傳感器測量行程最小到10mm,最大測量行程可達4500mm的精確測量,線性精度可達0.01%,分辨率高于0.01mm,測量操作速度高達10m/s;角位移傳感器可測量360°范圍內的角度值,具有良好的分辨率和線性度,運行速度可達10,000rpm。強烈推薦性價比最高的NOVO位移傳感器!
德國Novotechnik TR系列直線位移傳感器特點
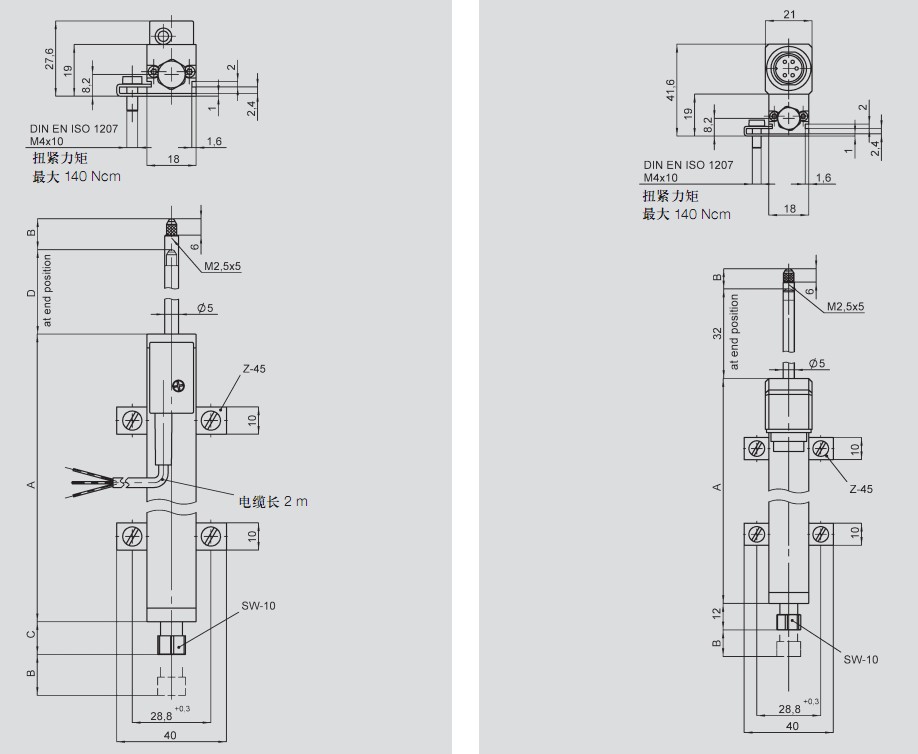
工作量程10,25,50,75,100mm
使用壽命長,可達1億次
線性優異,最高可達±0.075%
帶復位彈簧,模擬量接口
使用壽命長,運行次數可達1億次運動
線性優異,最高可達±0.075%
輸出電纜或插頭可選
兼容標準觸點
兩端柔性軸承
抗沖擊和振動的性能優異
德國Novotechnik TR系列直線位移傳感器尺寸


如果您對德國Novotechnik TR系列直線位移傳感器的接線、圖片、參數、廠家、型號、量程、尺寸、安裝使用有任何疑問,請聯系【廣州蘭瑟電子】陳小姐了解詳情,歡迎撥打全國統一服務熱線:020-22157170(零二零-二二一五七一七零)。
德國Novotechnik TR系列直線位移傳感器描述
位移傳感器利用導電塑料和滑刷進行位置或物體外形輪廓的直接測量,不需任何形式的固體機械耦合。
這些傳感器組件的一個與眾不同且重要的特點是其堅固且經過工程檢驗的結構設計。尤為重要的是,當遇到側向應力時(如在凸輪應用中)傳感器的兩端柔性軸承能起到有效緩沖的作用。拉桿后端固定著一個特殊的卡套,在需要用氣缸或電磁鐵進行自動縮進的地方可方便地利用此卡套。
德國Novotechnik TR系列直線位移傳感器型號
TR-0010直線位移傳感器
TR-0025直線位移傳感器
TR-0050直線位移傳感器
TR-0075直線位移傳感器
TR-0100直線位移傳感器
德國NOVO不同規格型號不同折扣價,詳情請聯系相關負責人
020-22157170 QQ:2910630585
除TR位移傳感器其它品牌系列請點擊
英國RDP DCTH LVDT位移傳感器
美國Trans-Tek Series 330 LVDTR位移傳感器
德國HBM WA-L位移傳感器,WA-L位移傳感器
韓國Dacell DLH-A位移傳感器,DLH-A位移傳感器
德國Novotechnik LWG系列直線位移傳感器
|