廣州蘭瑟電子科技有限公司【一級★代理商】美國ZEMIC B6E-C3稱重傳感器B6E-C3(LOADCELL)廠家直銷折扣價格,服務熱線:020-22157650;專業提供美國ZEMIC稱重傳感器B6E-C3的最新選型和產品資訊。
名稱:B6E-C3稱重傳感器,美國ZEMIC B6E-C3稱重傳感器
品牌:美國ZEMIC稱重傳感器
屬性:不銹鋼ZEMIC B6E-C3單剪切梁式稱重傳感器
想了解更多美國zemic的信息請點擊:ZEMIC稱重傳感器了解更多信息
美國ZEMIC B6E-C3稱重傳感器主要特性:
▲不銹鋼材料(B6E);合金鋼材料,鍍鎳(H6E);三梁結構,膠密,壓向承載。
▲防護等級IP67
▲適用于電子計價秤、電子臺秤、皮帶秤及各類電子稱重設備。
推薦選擇型號:
|
xxkg
|
C3
|
B6E/H6E-C3-xxkg-2B
|
|
xxkg
|
C3
|
B6E/H6E-C3-xxkg-2B-S1
|
|
xxkg
|
C3
|
B6E/H6E-C3-xxkg-2G
|
|
xxkg
|
C3
|
B6E/H6E-C3-xxkg-2G-S1
|
|
"G"表示橋路線與屏蔽線絕緣通
“S1”表示輸出靈敏度為2.0±0.002mv/v
|
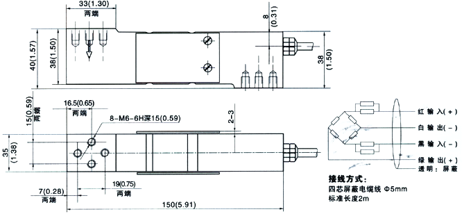
美國ZEMIC B6E-C3稱重傳感器規格尺寸:

美國ZEMIC B6E-C3稱重傳感器技術參數:
|
額定載荷
|
kg
|
20/30/50/75/100/150/200/250/300
|
|
精度
|
C3
|
|
最大檢定分度數
|
n max
|
3000
|
|
最小檢定分度值
|
v min
|
Emax/10000
|
|
綜合誤差
|
(%FS)
|
≤±0.020
|
|
蠕變
|
(%FS/30min)
|
≤±0.016
|
|
溫度對輸出靈敏度的影響
|
(%FS/10℃)
|
≤±0.011
|
|
溫度對零點輸出的影響
|
(%FS/10℃)
|
≤±0.015
|
|
輸出靈敏度
|
(mv/v)
|
2.0±0.2/2.0±0.002
|
|
輸入阻抗
|
(Ω)
|
384±4
|
|
輸出阻抗
|
(Ω)
|
351±2
|
|
絕緣阻抗
|
(MΩ)
|
≥5000(50VDC)
|
|
零點輸出
|
(%FS)
|
≤±1.5
|
|
溫度補償范圍
|
(℃)
|
-10~+40
|
|
允許使用溫度范圍
|
(℃)
|
-35~+70
|
|
推薦激勵電壓
|
(V)
|
5~12(DC)
|
|
最大激勵電壓
|
(V)
|
18(DC)
|
|
安全過載范圍
|
(%FS)
|
150
|
|
極限過載范圍
|
(%FS)
|
300
|
|
四角誤差
|
|
0.02%加載值/100mm
|
|
ATEX等級(可選)
|
|
II 1G Ex ia II 1C T4
|
II 1D Ex iaD20 T73℃
|
II 3G Ex nL II C T4
|
【廣州蘭瑟電子】主要代理經銷傳感器類型:稱重傳感器、壓力傳感器、扭矩傳感器、荷元以及變送器、稱重模塊、放大器、接線盒、電子秤、儀表及相關配套附件等。我司與美國ZEMIC公司合作多年,提供完善的售前、售中、售后服務,保證您買得放心,用得安心。
美國ZEMIC B6E-C3稱重傳感器所有型號:
B6E-C3-20kg-2B、B6E-C3-30kg-2B、B6E-C3-50kg-2B、B6E-C3-75kg-2B、B6E-C3-100kg-2B、B6E-C3-150kg-2B、B6E-C3-200kg-2B、B6E-C3-250kg-2B、B6E-C3-300kg-2B
電話:020-22157650 手機:15322063181
不同規格型號,價格也不同,型號編輯方式是由材質,形狀,精度,量程,線長,線制,電流等要求組成,詳情可咨詢【廣州蘭瑟電子】專業工程師楊帆為您選型。
|